産品名稱:W、WY往複真(zhēn)空泵
發布時間:2025-12-11 17:00:00 點(diǎn)擊:

| W、WY系列往(wang)複式真空泵是獲(huò)得粗真空的主要(yao)設備,使用于煉油(you)、顔料、塑料、肥皂、食(shí)品、制糖、制藥等方(fang)面的蒸發結晶、幹(gan)燥過濾;建築方面(mian)的混凝土作業;冶(ye)金♊工業中🏃♀️的真空(kōng)除氣及其它部門(men)需要❤️的低壓、低溫(wen)作業。 |
|
技術參(can)數 |
型号(hao) | WY-50(V5) | WY-100(W4) | WY-200(W5) | W3 | W4-A | W4-1 | W5-1 | W-300 | 抽氣速(sù)率(m3/h) | 200 | 370 | 770 | 200 | 370 | 370 | 770 | 1080 | 極限(xiàn)壓力(Pa) | 1300 | 1300 | 1300 | 2600 | 2600 | 2600 | 2600 | 2600 | 轉(zhuǎn)速(r.p.m) | 300 | 200 | 200 | 300 | 200 | 530 | 430 | 300 | 配用(yong)電機(Kw) | 5.5 | 11 | 22 | 5.5 | 11 | 11 | 22 | 30 | 汽(qì)缸直徑×行程 (mm) | 250×150 | 350×200 | 455×250 | 250×150 | 350×200 | 250×150 | 350×200 | 450×200 | 氣管直徑 (mm) | 進 | 2" | 4" | 5" | 2" | 4" | 4" | 5" | 175mm | 出(chu) | 2" | 4" | 5" | 2" | 4" | 4" | 5" | 175mm | 水管直(zhi)徑 (mm) | 進 | 1/2" | 3/4" | 3/4" | 1/2" | 3/4" | 1/2" | 3/4" | 3/4" | 出 | 1/2" | 3/4" | 3/4" | 1/2" | 3/4" | 1/2" | 3/4" | 3/4" | 體(tǐ)積 | 長 | 1435 | 1819 | 2357 | 1418 | 1819 | 1486 | 1805 | 1980 | 寬 | 624 | 876 | 1010 | 630 | 876 | 520 | 670 | 745 | 高(gao) | 710 | 900 | 1162 | 650 | 900 | 720 | 860 | 980 |
|
| |
W3往(wang)複式真空泵安裝(zhuāng)尺寸圖: |

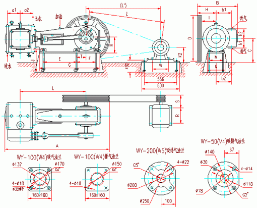
WY-50(V5)、WY-100(W4)、WY-200(W5)往(wǎng)複式真空泵安裝(zhuāng)尺寸圖:

W4-1、W5-1往複式真空(kōng)泵安裝尺寸圖:

W300往複(fú)式真空泵安裝尺(chi)寸圖:

代号(hào) | A | B | C | D | E | F | G | H | I | J | K | L | L' | l | 三角帶型号(hào) | WY-50(V5) | 1435 | 624 | 375 | 707 | 430 | 260 | 815 | 282 | 198 | 400 | 186 | 808 | 787 | 882 | B型 L=2997 | WY-100(W4) | 1819 | 876 | 500 | 892 | 520 | 330 | 1031 | 481 | 356 | 630 | 220 | 1388 | 1359 | 1102 | B型 L=4500 | WY-200(W5) | 2357 | 1010 | 680 | 1162 | 655 | 400 | 1256 | 418 | 254 | 630 | 260 | 1360 | 1293 | 1397 | C型 L=5000 | W3 | 1418 | 630 | 400 | 640 | 430 | 260 | 815 | 283 | 115 | 400 | 186 | 910 | 886 | 882 | B型 L=3048 | W4-1 | 1486 | 520 | 400 | 537 | 430 | 260 | 815 | 300 | 150 | 400 | 186 | 956 | 939 | 832 | C型 L=3023 | W5-1 | 1805 | 670 | 500 | 542 | 520 | 330 | 1035 | 383 | 213 | 630 | 220 | 935 | 904 | 1026 | C型 L=3048 | 代号 | M | N | T | W | R | S | a1 | a2 | b1 | b2 | h1 | h2 | k2 | 泵(bèng)地腳螺栓 | 導(dǎo)軌地腳螺栓 | WY-50(V5) | 200 | 260 | 130 | 216 | 140 | 179 | 171 | 171 | 115 | 241 | 154 | 202 | 192 | M16×400 | M16×400 | WY-100(W4) | 260 | 326 | 165 | 254 | 254 | 243 | 216 | 216 | 140 | 337 | 244 | 272 | 220 | M20×630 | M16×400 | WY-200(W5) | 290 | 370 | 200 | 318 | 305 | 307 | 300 | 300 | 430 | 430 | 299 | 299 | 260 | M24×630 | M16×400 | W3 | 200 | 260 | 130 | 216 | 140 | 179 | 171 | 171 | 115 | 241 | 154 | 202 | 192 | M16×400 | M16×400 | W4-1 | 200 | 260 | 130 | 256 | 210 | 229 | 171 | 121 | a3:50 | 260 | 260 | 220 | M16×400 | M16×400 | W5-1 | 260 | 326 | 165 | 318 | 305 | 307 | 230 | 147 | a3:83 | 325 | 325 | 260 | M20×630 | M16×400 |
|