注:一、表(biǎo)内數值是在下列(liè)條件下得出:
1. 水溫(wen)15℃ 2. 空氣20℃ 3. 氣體相對濕(shī)度70% 4. 大氣壓力0.1013MPa | 二、抽氣量偏差不(bu)超過±10% 附:外形及安(ān)裝尺寸圖 · |
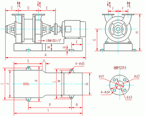
SK-0.4、SK-0.8水環式(shi)真空泵及壓縮機(ji)外形及安裝尺寸(cùn)圖 
SK-0.4、SK-0.8水環(huan)式真空泵及壓縮(suō)機外形及安裝尺(chǐ)寸圖 |

代号(hào) | A | B | C | D | E | F | G | H | I | J | d |
|---|
SK-0.4 | 245 | 140 | 285 | 34 | 421 | 200 | 263 | 270 | 80 | 60 | G1" |
|---|
SK-0.8 | 270 | 140 | 310 | 34 | 464 | 200 | 263 | 270 | 80 | 78 | G1" |
|---|

代号 | A | B | C | D | E | F | G | H | I | J | K | L | M | N | SK-15 | 947 | 25 | 172 | 180 | 215 | 130 | 289 | 475 | 420 | 355 | 470 | 392 | 342 | 248 | SK-3 | 1122 | 25 | 172 | 260 | 215 | 130 | 289 | 475 | 454 | 355 | 504 | 420 | 370 | 300 | 代号 | P | R | S | T | W | d1 | d2 | d3 | d4 | d5 | Z | V | 底腳螺(luó)栓 | SK-1.5 | 513 | 100 | 260 | 735 | 177 | 70 | 160 | 130 | 14 | 18 | 187 | 40 | M16×400 | SK-3 | 640 | 100 | 370 | 900 | 177 | 70 | 160 | 130 | 14 | 18 | 195 | 60 | M16×400 |
SK-1.5、SK-3水環(huan)式真空泵及壓縮(suo)機用氣水分離器(qi)外形及安裝尺寸(cùn) 
A | B | C | D | E | F | G | H | I | J | K | L | M | N | P | R | 240 | 50 | 760 | 500 | 70 | 620 | 380 | 965 | 40 | 230 | 70 | 300 | 150 | 150 | 140 | 275 | Z1 | Z2 | Z3 | Z4 | Z5 | d1 | d2 | d3 | d4 | d5 | d6 | d7 | d8 | d9 | 0 | - | G3/8" | G1" | G1/2" | G1/2" | G1.5" | 14 | 160 | 65 | 130 | 90 | 12 | 65 | 15 | 14 | 45° | - |
 SK-6、SK-12、SK-20真(zhēn)空泵、壓縮機及SK-30真(zhen)空泵底腳安裝尺(chǐ)寸  SK-30壓縮機及SK-42真空泵(bèng)底腳安裝尺寸 
代号(hào) | A | B | C | D | E | F | G/G1 | H | I | J | K | L | M | N | SK-6 | 真空泵(beng) | 1432 | 114 | 370 | 457 | 30 | 235 | 800 | 1225 | / | 470 | 420 | 420 | 470 | 210 | 壓縮機 | 1477 | 91 | 370 | 457 | 30 | 235 | 800 | 1225 | / | 470 | 420 | 420 | 470 | 210 | SK-12 | 真空泵 | 1761 | 141 | 448 | 538 | 30 | 300 | 940 | 1468 | 858 | 580 | 520 | 460 | 520 | 280 | 壓縮機 | 1831 | 141 | 448 | 538 | 30 | 300 | 990 | 1520 | / | 580 | 520 | 520 | 580 | 280 | SK-20 | 真空泵 | 2100 | 141 | 491 | 609 | 30 | 340 | 1132 | 1780 | / | 690 | 630 | 630 | 690 | 350 | 壓縮(suō)機 | 2370 | 159 | 491 | 609 | 30 | 340 | 1210 | 1895 | 686 | 690 | 630 | 720 | 780 | 350 | SK-30 | 真空(kōng)泵 | 2500 | 144 | 556 | 674 | 30 | 405 | 1270 | 2020 | 685 | 690 | 630 | 720 | 780 | 350 | 壓縮機 | 2570 | 144 | 556 | 674 | 30 | 405 | 1295 | 2071 | 711 | 690 | 630 | 700 | 760 | 350 | SK-42 | 真空泵 | 2720 | 144 | 630 | 750 | 30 | 480 | 1445 | 2221 | 711 | 690 | 630 | 700 | 760 | 350 | 代号 | P | R | S | T | W | X | Z | d1 | d2 | d3 | d4 | d5 | n | 底腳螺栓(shuān) | SK-6 | 真空泵(beng) | 330 | 610 | 315 | 410 | 410 | 183 | G1/2" | 80 | 130 | 14 | 160 | 18 | 4 | M16×400 | 壓縮機 | 330 | 610 | 315 | 410 | 410 | 183 | G1/2" | 80 | 130 | 14 | 160 | 18 | 4 | SK-12 | 真空泵 | 440 | 740 | 355 | 520 | 460 | 163 | G1/2" | 80 | 150 | 14 | 180 | 27 | 4 | M24×600 | 壓縮(suo)機 | 440 | 755 | 370 | 520 | 520 | 178 | G1/2" | 80 | 150 | 14 | 180 | 27 | 4 | SK-20 | 真空泵 | 680 | 1010 | 485 | 650 | 650 | 220 | G3/4" | 150 | 200 | 18 | 235 | 27 | 6 | M24×600 | 壓縮機 | 680 | 1015 | 490 | 650 | 720 | 225 | G3/4" | 150 | 200 | 18 | 235 | 27 | 6 | SK-30 | 真(zhēn)空泵 | 680 | 1010 | 485 | 650 | 720 | 220 | G3/4" | 150 | 200 | 18 | 235 | 27 | 6 | M24×600 | 壓縮機(ji) | 680 | 1015 | 490 | 650 | 708 | 225 | G3/4" | 150 | 200 | 18 | 235 | 27 | 6 | SK-42 | 真空泵 | 680 | 1015 | 490 | 650 | 708 | 225 | G3/4" | 150 | 200 | 18 | 235 | 27 | 6 | M24×600 |
SK-6、SK-12、SK-30水(shui)環式真空泵及壓(ya)縮機氣水分離器(qi)外形尺寸圖 
代号 | A | B | C | D | E | F | G | H | I | J | K | Z1 | Z1' | Z2 | n | d1 | d2 | d3 | d4 | SK-6 | 740 | 320 | 250 | 500 | 60 | 80 | 220 | 870 | 1030 | 140 | 500 | 1.5" | 2.5" | G1/2" | 4 | 160 | 130 | 65 | 14 | SK-12 | 910 | 400 | 250 | 650 | 60 | 80 | 260 | 1080 | 1230 | 140 | 500 | 1.5" | 2.5" | G1/2" | 4 | 185 | 150 | 80 | 18 | SK-30 | 1070 | 610 | 250 | 650 | 60 | 80 | 260 | 1130 | 1408 | 140 | 500 | 1.5" | 2.5" | G1/2" | 8 | 235 | 200 | 125 | 18 |
注:SK-20、SK-42與SK-30分(fèn)離器通用  底腳安裝(zhuang)尺寸 

2SK系列兩級水環(huan)真空泵和2SK-P1系列兩(liang)級水環真空泵—大(da)氣噴射泵機組被(bei)用于抽取空氣和(he)其它無腐蝕性、不(bu)溶于水、不含♈有固(gu)體顆粒的氣體以(yǐ)便在密閉容器中(zhong)獲💔得較高真空。 它(tā)被廣泛應用于食(shí)品、編織化工、醫藥(yào)和冶金工業及電(dian)子領域☂️的真空蒸(zheng)發、真空濃縮、真空(kōng)回潮、真空浸漬、真(zhen)空幹燥及真空冶(yě)煉等。 具有真空度(dù)高、在高真空區抽(chou)速大及結構緊湊(cou)、工作可🔱靠、維修方(fang)便等特點。 2SK系列适(shi)用于吸入壓力低(dī)于-0.08MPa的工況條件。2SK-P1系(xì)列适用⚽于吸🧑🏾🤝🧑🏼入壓(yā)⛹🏻♀️力低于-0.096MPa的工況條(tiáo)件,在配用大氣泵(beng)時,極限真空度可(ke)達♍-750mmHg。 工作真空範圍(wéi)為-0.03---0.08MPa。 |
| 技術參數(shu) | 型号 | 抽氣量 (米3/分) | 極限真空 (MPa) (毫米(mi)汞柱) | 功率 (千(qiān)瓦) | 泵轉速 (轉(zhuan)/分) | 供水量 (L/min) | 口徑 (mm) | 泵重(zhong) (含電機) (Kg) | 最大(dà) | 吸入壓力為(wei) -0.093MPa (-700mmHg) | 進 | 出 | 2SK-1.5 | 1.5 | 0.9 | -0.097(-725) | 4 | 1440 | 12-11 | 40 | 40 | 140 | 2SK-3 | 3 | 2 | -0.097(-725) | 7.5 | 1440 | 15-20 | 40 | 40 | 180 | 2SK-6 | 6 | 4 | -0.098(-735) | 15 | 1460 | 25-35 | 50 | 50 | 250 | 2SK-12 | 12 | 8 | -0.098(-735) | 22 | 970 | 40-50 | 100 | 100 | 400 | 2SK-20 | 20 | 14 | -0.098(-735) | 45 | 740 | 60-80 | 125 | 125 | 550 | 2SK-30 | 30 | 20 | -0.098(-735) | 55 | 741 | 60-80 | 125 | 125 | 70 |
| | | 性能曲(qǔ)線圖 |


代号 | A | A' | B | B' | C | D | D' | E | F | G | H | I | J | K | L | 2SK-1.5P1 | 605 | / | 360 | 360 | 950 | 410 | 410 | 1150 | 422 | 485 | 270 | 30 | 125 | 214 | 162 | 2SK-3P1 | 710 | / | 400 | 400 | 1136 | 460 | 460 | 1346 | 417 | 491 | 265 | 35 | 159 | 214 | 157 | 2SK-6P1 | 863 | / | 420 | 420 | 1391 | 470 | 470 | 1623 | 500 | 608 | 315 | 30 | 218 | 234 | 183 | 2SK-12P1 | 1038 | / | 520 | 460 | 1642 | 580 | 520 | 1965 | 615 | 750 | 375 | 30 | 216 | 246 | 183 | 2SK-20P1 | 700 | 700 | 690 | / | 1972 | 750 | / | 2306 | 840 | 1004 | 500 | 30 | 306 | 283 | 225 | 2SK-30P1 | 810 | 750 | 720 | / | 2215 | 780 | / | 2715 | 840 | 1004 | 500 | 30 | 344 | 283 | 225 | 代号 | M | N | P | S | T | Z | n1 | n2 | d1 | d2 | d3 | d4 | d5 | d6 | d7 | 2SK-1.5P1 | 264 | 162 | 99 | 180 | 360 | G1/2" | 4 | 4 | 14 | 92 | 120 | 18 | 110 | 150 | 14 | 2SK-3P1 | 344 | 162 | 99 | 357 | 570 | G1/2" | 4 | 4 | 18 | 120 | 152 | 18 | 110 | 150 | 14 | 2SK-6P1 | 429 | 210 | 99 | 515 | 734 | G1/2" | 4 | 4 | 18 | 120 | 152 | 18 | 125 | 160 | 18 | 2SK-12P1 | 599 | 280 | 120 | 565 | 800 | G1/2" | 6 | 6 | 14 | 150 | 180 | 14 | 170 | 200 | 27 | 2SK-20P1 | 619 | 350 | 180 | 774 | 1022 | G3/4" | 8 | 8 | 18 | 200 | 235 | 18 | 200 | 235 | 27 | 2Sk-30P1 | 749 | 350 | 180 | 1016 | 1264 | G3/4" | 8 | 8 | 18 | 200 | 235 | 18 | 200 | 235 | 27 |
|